Схемы электрооборудования автомобилей Ситроен С5 (Citroen C5)
- Система охлаждения. Автомобили с бензиновым двигателем EW7J4 (6FZ)/EW10J4 (RFN) с кондиционером и автоматической коробкой переключения передач
- Стартер. Автомобили с бензиновым двигателем ES9J4S (XFX). Дизельными двигателями DW10ATED (RHZ), DW10TD (RHY), DW12TED4 (4HX) механической коробкой переключения передач
- Стартер. Автомобили с бензиновыми двигателями EW7J4 (6FZ), EW10J4 (RFN) и автоматической коробкой переключения передач
- Омыватель, очиститель ветрового стекла
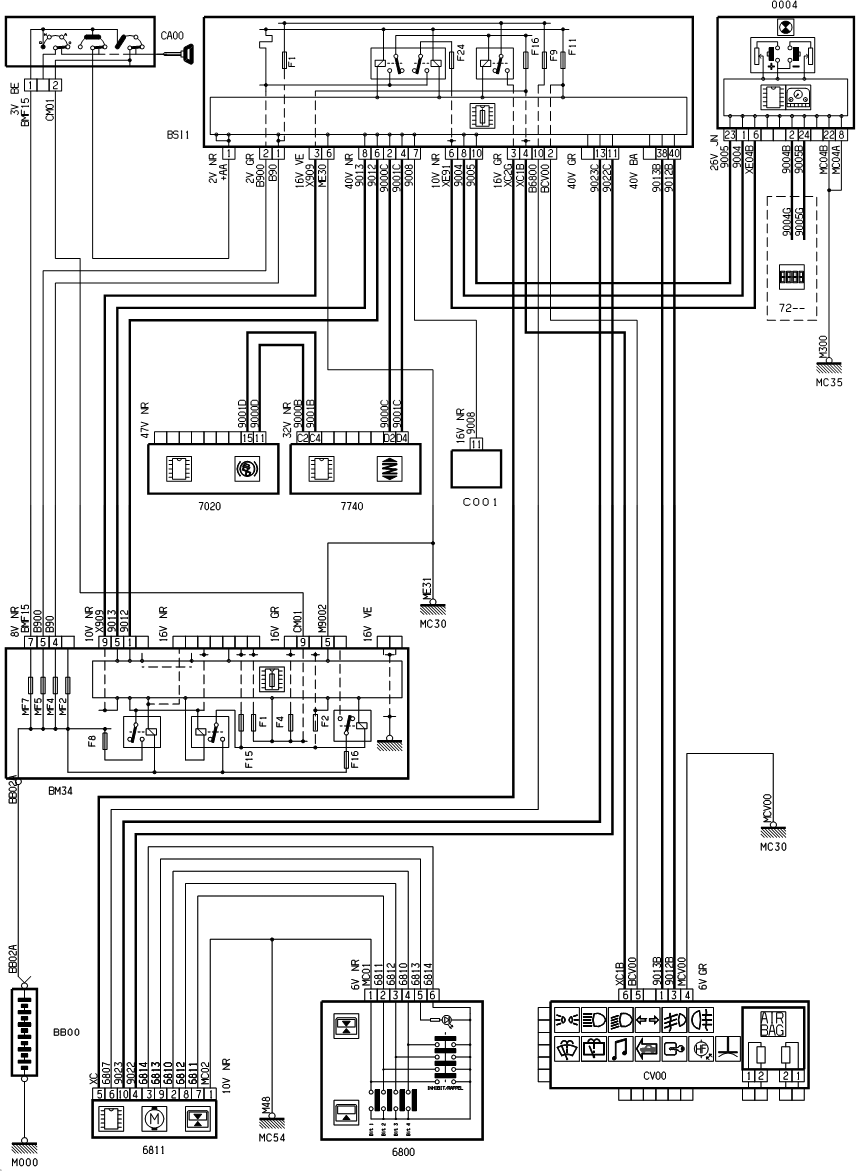
- Электрическая схема помощи при парковке
- Цветной экран
- Экран чёрно-белый
- Индикация уровня, температуры и давления масла
- Индикация уровня и температуры охлаждающей жидкости
- Транспондер для двигателя v6 bva
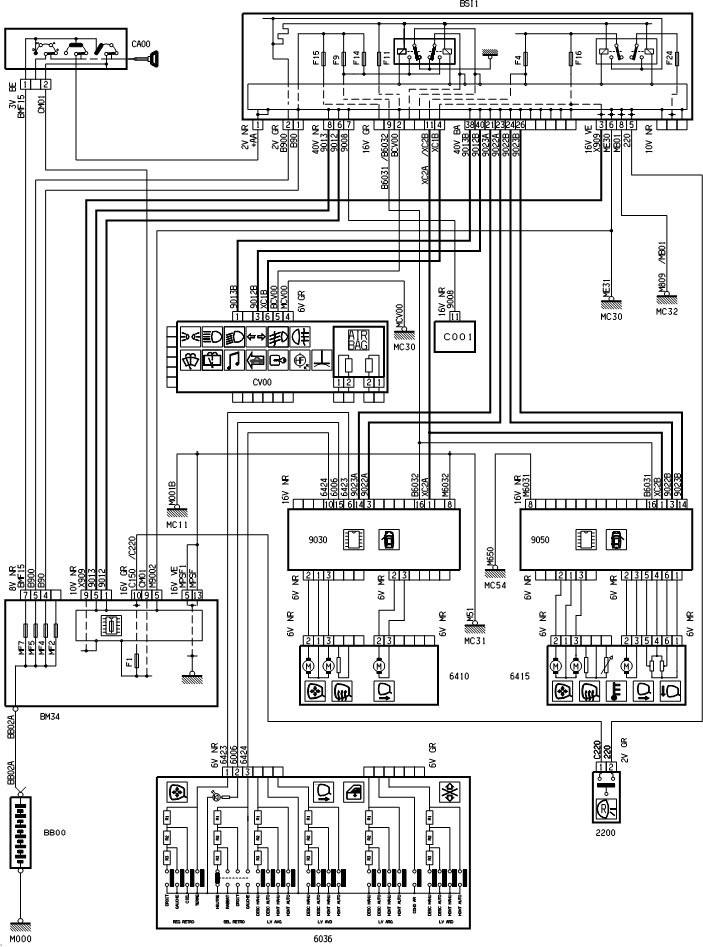
- Освещение в салоне
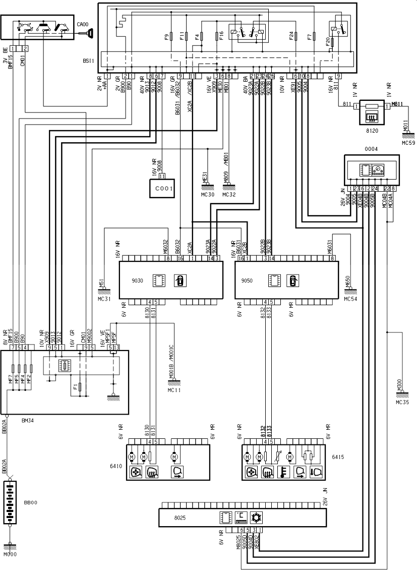
- Автоматическое включение наружного освещения
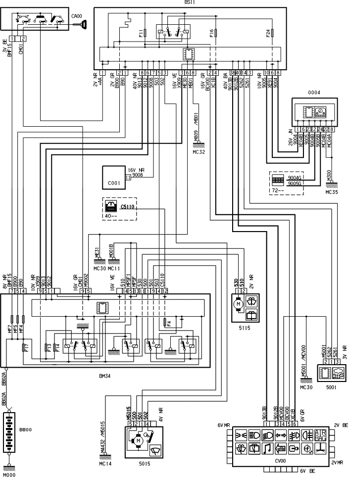
- Схема электропривода и управления зеркалами заднего вида
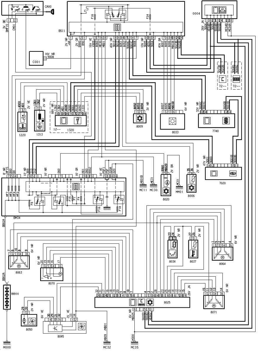
- Панель управления зеркалами\стеклоподъёмниками со стороны водителя
- Обогреватель заднего стекла
- Стеклоочистители и омыватели
- Климат-контроль и система охлаждения двигателя
- Система охлаждения двигателя
- Противоугонная сигнализация и система блокировки дверей
- Электростеклоподъёмники
- Схема электрическая привода люка
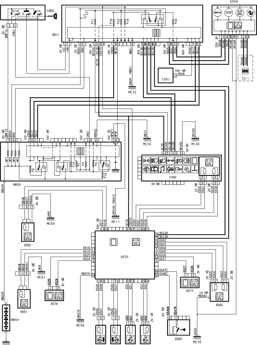
- Схема электрическая подушек безопасности
- Схема подключения шин связи

Система охлаждения. Автомобили с бензиновым двигателем EW7J4 (6FZ)/EW10J4 (RFN) с кондиционером и автоматической коробкой переключения передач

Стартер. Автомобили с бензиновым двигателем ES9J4S (XFX). Дизельными двигателями DW10ATED (RHZ), DW10TD (RHY), DW12TED4 (4HX) механической коробкой переключения передач

Стартер. Автомобили с бензиновыми двигателями EW7J4 (6FZ), EW10J4 (RFN) и автоматической коробкой переключения передач

Омыватель, очиститель ветрового стекла

Электрическая схема помощи при парковке

Цветной экран

Экран чёрно-белый

Индикация уровня, температуры и давления масла

Индикация уровня и температуры охлаждающей жидкости

Транспондер для двигателя v6 bva

Освещение в салоне

Автоматическое включение наружного освещения

Схема электропривода и управления зеркалами заднего вида

Панель управления зеркалами\стеклоподъёмниками со стороны водителя

Обогреватель заднего стекла

Стеклоочистители и омыватели

Климат-контроль и система охлаждения двигателя

Система охлаждения двигателя

Противоугонная сигнализация и система блокировки дверей

Электростеклоподъёмники

Схема электрическая привода люка

Схема электрическая подушек безопасности

Схема подключения шин связи